-
133X80mm
更多...Plastic Impeller
-
170X65mm
更多...Plastic Impeller
-
190X67mm
更多...Plastic Impeller
-
190X72mm
更多...Plastic Impeller
-
220X76mm
更多...Plastic Impeller
-
225X99mm
更多...Plastic Impeller
-
225X101mm
更多...Plastic Impeller
-
250X94mm
更多...Plastic Impeller
-
AC110V
更多...Steel Impeller
2/4 POLE -
AC220V
更多...Steel Impeller
2 POLE -
AC220V
更多...Steel Impeller
4 POLE -
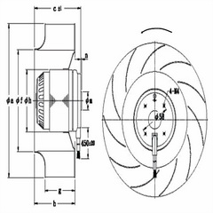
Dimensions












